MT/T 478-2011 YBS系列輸送機用隔爆型三相異步電動機
- 發表時間:2022-10-13
- 來源:共立消防
- 人氣:
1 范圍
本標準規定了YBS系列輸送機用隔爆型三相異步電動機的型式、基本參數、尺寸及公差、技術要求、試驗方法、檢驗規則、標志包裝、運輸和貯存。
本標準適用于煤礦驅動刮板輸送機、刮板裝載機、帶式輸送機等用隔爆型三相異步電動機(以下簡稱電動機),其派生的各種系列電動機也可參照執行。
2 規范性引用文件
下列文件中的條款通過本標準的引用而成為本標準的條款。凡是注日期的引用文件,其隨后所有的修改單(不包括勘誤的內容)或修訂版均不適用于本標準,然而,鼓勵根據本標準達成協議的各方研究是否可使用這些文件的最新版本。凡是不注日期的引用文件,其最新版本適用于本標準。
GB/T 191-2008 包裝儲運圖示標志(ISO780:1997,MOD)
GB 755-2008 旋轉電機 定額和性能(IEC 60034-1:2004,IDT)
GB/T 997-2008 旋轉電機結構型式、安裝型式及接線盒位置的分類(IM代號)(IEC 60034-7:2001,IDT)
GB/T 1032-2005 三相異步電動機試驗方法
GB/T 1993-1993 旋轉電機冷卻方法(eqv IEC 60034-6:1991)
GB/T 2423.4-2008 電工電子產品環境試驗 第2部分: 試驗方法 試驗Db:交變濕熱(12h+12h循環)(IEC 60068-2-30:2005,IDT)
GB 3836.1-2000 爆炸性氣體環境用電氣設備 第1部分:通用要求(eqv IEC 60079-0:1998)
GB 3836.2-2000 爆炸性氣體環境用電氣設備 第2部分:隔爆型“d”(eqv IEC 60079-1:1990)
GB 3836.3-2000 爆炸性氣體環境用電氣設備 第3部分:增安型“e”(eqv IEC 60079-7:1990)
GB/T 4942.1-2006 旋轉電機整體結構的防護等級(IP代碼) 分級(IEC 60034-5:2000,IDT)
GB 10068-2008 軸中心高為56mm及以上電機的機械振動 振動的測量、評定及限值(IEC 60034-14:2007,IDT)
GB/T 10069.1-2006 旋轉電機噪聲測定方法及限值 第1部分:旋轉電機噪聲測定方法(ISO 1680:1999,MOD)
GB/T 10111-2008 隨機數的產生及其在產品質量抽樣檢驗中的應用程序
AQ 1043-2007 礦用產品安全標志標識
JB/T 9615.1-2000 交流低壓電機散嵌繞組匝間絕緣試驗方法
JB/T 9615.2-2000 交流低壓電機散嵌繞組匝間絕緣試驗限值
JB/T 10098-2000 交流電機定子成型線圈耐沖擊電壓水平(IEC 60034-15:1995,IDT)
3 型式、基本參數、尺寸及公差
3.1 型式
3.1.1 電動機為礦用隔爆型,防爆標志為“Exd I”。
3.1.2 電動機的外殼防護等級應符合GB/T4942.1-2006中規定的IP55 。
3.1.3 電動機的冷卻方式應符合GB/T1993-1993中規定的外殼水冷式(IC3W7)或風冷式(ICO141)兩種,對110kW及以上功率的可采用水冷方式。
3.1.4 電動機的結構及安裝型式可按照GB/T997-2008中規定的IMB3、IMB5、IMB10,也可采用其它的安裝型式。
3.2 基本參數
3.2.1 產品型號:
電動機的型號編制方法如下:

3.2.2 電動機的定額是以連續工作制(S1)為基準的連續定額。
3.2.3 電動機的額定頻率為50Hz,極數為4極,額定電壓為380,660,1 140,3 300 V。
3.2.4 電動機應按下列功率制造:4,5.5,7.5,11,15,18.5,22,30,40,55,75,90,110,132,160,200,250,315,(355),375,400,425,(450),500,560,630,710,800,(885),900,1 000kW。
注:帶括號的為不推薦規格,同時也允許制造廠與用戶協商生產其它規格產品,電氣性能要求可參照本標準。
3.3 尺寸及公差
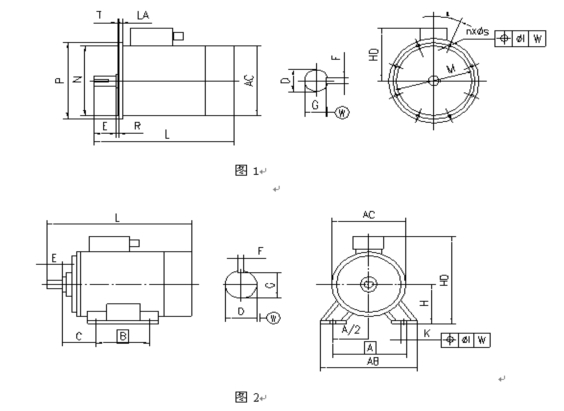
3.3.1 電動機的安裝尺寸及公差,以及外形尺寸應符合表1(安裝形式為B5,見圖1)、表2(安裝形式為B3,見圖2)的規定。

以上為標準部分內容,如需看標準全文,請到相關授權網站購買標準正版。






